DANH MỤC SẢN PHẨM CÂN
- CÂN SẤY ẨM
- CÂN NGÀNH VÀNG
- CÂN PHÂN TÍCH
- CÂN KỸ THUẬT
- CÂN SÀN ĐIỆN TỬ
- CÂN BÀN ĐIỆN TỬ
- CÂN GHẾ - CÂN NGÀNH VẢI
- CÂN THỦY SẢN
- CÂN ĐẾM ĐIỆN TỬ
- CÂN THÔNG DỤNG
- CÂN GIA SÚC
- CÂN SIÊU THỊ - CÂN TÍNH GIÁ
- CÂN MỦ CAO SU
- CÂN NHÀ BẾP
- CÂN TREO - CÂN MÓC CẨU
- CÂN MINI BỎ TÚI
- CÂN XE NÂNG TAY
- CÂN SỨC KHỎE
- CÂN CÔNG NGHIỆP
- CÂN XE TẢI - CÂN Ô TÔ
- CÂN PALLET
- CÂN CHỐNG CHÁY NỔ
- CÂN TRẠM TRỘN BÊ TÔNG
- CÂN ĐÓNG GÓI - CÂN CHIẾT RÓT
- Thông tin sản phẩm
- Bình luận

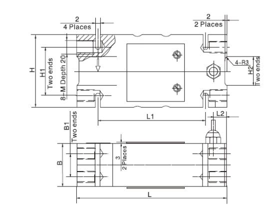
| Thông tin chi tiết về Loadcell Zemic B6F | |||||||||||||||||||||||||||||||||||||||||||||
Thông số kỹ thuật của Loadcell Zemic B6F:
|
Mọi chi tiết mua hàng hoặc làm đại lý xin liên hệ ngay với chúng tôi theo địa chỉ:
CÔNG TY TNHH SẢN XUẤT THƯƠNG MẠI VÀ DỊCH VỤ CÂN ĐIỆN TỬ ĐẠI THÀNH.
- Trụ Sở : 71/36 Điện Biên Phủ Phường 15, Quận Bình Thạnh , TP.Hồ Chí Minh
- Điện Thoại :(028) 3514 7748 - Fax: (028) 3514 7749 HOTLINE : 0933.138.938
- CHI NHÁNH: 295 Đường 30/4 ,KP1,P1, TP TÂY NINH
- Điện Thoại : Anh Đại : 0908040778


















Gọi Điện
SMS
Bản đồ